沂源县气象局

沂源县气象局2021年度信息公开指南(2021年2月修订)

时间:2021-02-20

为了更好地提供政府信息公开服务,本机关编制了《沂源县气象局政府信息公开指南》(以下简称《指南》)。需要获得本机关政府信息公开服务的公民、法人或者其他组织,建议阅读本《指南》。

本《指南》每年更新一次。公民、法人或者其他组织可以在沂源县人民政府网站(http://www.yiyuan.gov.cn/)政务公开栏目/镇办和部门信息公开/直属事业单位/沂源县气象局上查阅本《指南》。

一、信息分类和编排体系

本机关在职责范围内,负责主动或依申请公开下列各类政府信息:

(一)机构职能

主要包括:机构设置及主要职能情况、机构领导及分工情况、内设机构及职能情况、下(直)属单位设置及职能情况等。 

(二)政策法规 

主要包括:发布的规范性文件及其他行政文件;政策解读等。 

(三)规划计划 

主要包括:国民经济和社会发展规划、专项规划、区域规划等;部门阶段性工作计划、工作重点安排等。 

(四)业务动态
    主要包括本单位各项业务工作开展情况。

)统计数据
主要包括:财政预算、决算报告;国民经济和社会发展统计信息;专项统计报告等。 
其他 
主要包括:部门重要会议、活动情况;人事任免事项;本机关职责范围内依法应当公开的其他信息。

二、获取形式

主动公开

本机关主动公开的政府信息范围。

●公开形式

本机关政府信息公开主要采取政府网站网上公开形式。

●公开时限

本机关主动公开的政府信息,自政府信息形成或者变更之日20个工作日内予以公开。法律、法规对政府信息公开的期限另有规定的,从其规定。

依申请公开

除本机关主动公开的政府信息外,公民、法人或者其他组织可以根据自身特殊需要,向本机关申请获取相关政府信息。

本机关政府信息公开申请受理机构(见本《指南》第三条),负责受理公民、法人或者其他组织向本机关提出的政府信息公开申请。

● 提出申请

1.书面提交申请。

向本机关申请获取政府信息,应当书面填写《沂源县政府信息公开申请表》(以下简称《申请表》)。《申请表》可以从县政府网站下载、打印,复制有效。申请人对申请获取信息的描述应尽量详尽、明确;若有可请提供该信息的标题、发布时间、文号或者其他有助于确定信息内容的提示。 申请人可向本机关当面递交《申请表》,也可通过信函方式寄送《申请表》,寄送时请在信封左下角注明政府信息公开申请字样。 

  2.通过政府网站提交申请。县政府网站(www.yiyuan.gov.cn)开通有政府信息公开申请网上提交渠道,受理向本单位提交的政府信息公开申请。 

  3.依申请公开政府信息需提供有效身份证明。

  本机关不受理通过电话方式提出的申请,但申请人可以通过电话咨询相应的服务业务。 

● 申请处理 

本机关收到公民、法人或者其他组织提出的政府信息公开申请后,根据需要,可能会通过相应方式对申请人身份进行核对。 

    本机关收到申请后,将从形式上对申请的要件是否完备进行审查,对于要件不完备的申请予以退回,要求申请人补正信息。 

对申请人提出的政府信息公开申请,本单位将根据不同情况分别作出答复。 

本机关办理申请人政府信息公开申请时,能够当场答复的,将当场答复;不能当场答复的,自收到申请之日起20个工作日内予以答复;确需延长答复期限的,延长答复时间不超过20个工作日,并告知申请人。政府信息涉及第三方权益的,应当征求第三方的意见,征求第三方意见所需时间不计算在期限内。 

本机关根据掌握该信息的实际状态进行提供,不对信息进行加工、统计、研究、分析或者其他处理。 

● 收费标准

具体标准按照《国务院办公厅关于印发〈政府信息公开信息处理费管理办法〉的通知》(国办函〔2020〕109号)和《山东省人民政府办公厅关于做好政府信息公开信息处理费管理工作有关事项的通知》(鲁政办字〔2020〕179号)有关规定执行。

三、政府信息公开工作机构

本机关政府信息公开工作机构为:

沂源县气象局政务公开领导小组办公室

办公地址:沂源县陵南路23号  邮政编码:256100

办公时间:8:30-12:00 13:30-17:00(工作日)

联系电话:0533-3231055  传真:0533-3241121

电子信箱:sqxjyy@zb.shandong.cn(此邮箱仅供沟通联系使用,不接受政府信息公开申请)    

本机关政府信息公开申请受理机构为:

沂源县气象局政务公开领导小组办公室

办公地址:沂源县陵南路23号  邮政编码:256100

办公时间:8:30-12:00 13:30-17:00(工作日)

联系电话:0533-3231055  传真:0533-3241121

电子信箱:sqxjyy@zb.shandong.cn(此邮箱仅供沟通联系使用,不接受政府信息公开申请) 

四、监督和救济

(一)投诉、举报受理机构:

沂源县气象局政务公开领导小组办公室

办公地址:沂源县陵南路23号  邮政编码:256100

办公时间:8:30-12:00 13:30-17:00(工作日)

联系电话:0533-3231055  传真:0533-3241121

电子信箱:sqxjyy@zb.shandong.cn(此邮箱仅供沟通联系使用,不接受政府信息公开申请)   

 行政复议受理机构:

沂源县气象局办公室

办公地址:沂源县陵南路23号  邮政编码:256100

办公时间:8:30-12:00 13:30-17:00(工作日)

联系电话:0533-3231055  传真:0533-3241121

电子信箱:sqxjyy@zb.shandong.cn(此邮箱仅供沟通联系使用,不接受政府信息公开申请)   

 行政诉讼受理机构:沂源县人民法院

办公地址:山东省淄博市沂源县鲁山路89号

办公时间:8:30-12:00  13:30-17:00(工作日)

邮政编码:256100

联系电话:0533-3259239

公民、法人或者其他组织认为本机关提供的与其自身相关的政府信息记录不准确的,可以向本机关提出更正申请,并提供证据材料。本机关将根据申请作出相应处理,并告知申请人。

公民、法人或其他组织也可以向上级行政机关、监察机关或者政府信息公开工作主管部门举报。

公民、法人或者其他组织认为行政机关在政府信息公开工作中的具体行政行为侵犯其合法权益的,公民、法人和其他组织可以依法申请行政复议或提起行政诉讼。

 

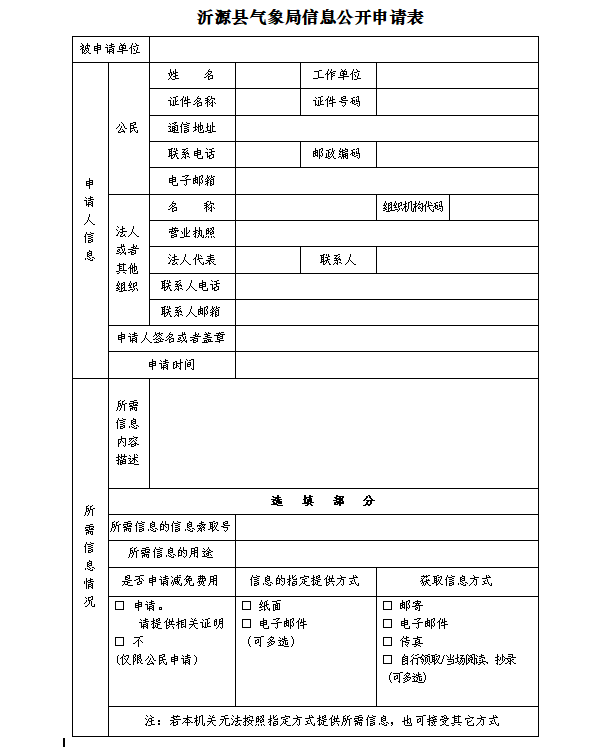
  附件:1.沂源县气象局信息公开申请表.doc

            2.政府信息公开申请流程图.doc

 

沂源县气象局

2021年2月20日

 

 

 

 

沂源县气象局2021年政府信息公开工作年度报告

时间:2022-01-25

   

    

本报告按照新修订的《中华人民共和国政府信息公开条例》(以下简称《条例》)《中华人民共和国政府信息公开工作年度报告格式》(国办公开办函〔2021〕30号)规定,由沂源县气象局办公室根据政府信息公开工作情况编制。

现向社会公开2021年度沂源县气象局政府信息公开年度报告。本报告中所列数据的统计期限自202111日起至20211231日止。报告全文包括总体情况、主动公开政府信息情况、收到和处理政府信息公开申请情况、政府信息公开行政复议、行政诉讼情况、存在的主要问题及改进情况、其他需要报告的事项六个部分组成。报告中的电子版可访问沂源县人民政府门户网站(www.yiyuan.gov.cn)查看下载,公民、法人及其他组织需要查询报告中相关政府信息公开工作事项或对本报告有任何疑问的,请与沂源县气象局办公室联系(地址:沂源县陵南路23号,气象局二楼办公室;邮编:256100;电话:0533-323105;传真:0533-3241121;电子邮箱: sqxjyy@zb.shandong.cn )。  

一、总体情况

2021年,沂源县气象以习近平新时代中国特色社会主义思想为指导,政府信息公开工作深入贯彻沂源县政府和淄博市气象局有关工作的部署精神,结合部门实际,认真贯彻落实《中华人民共和国政府信息公开条例》,积极组织单位全体人员学习《条例》,并按照《条例》要求不断优化政府网站栏目设置,完善工作制度和机制,切实将《条例》落到实处,确保政府信息公开工作持续良好开展。截至2021年12月31日,收到行政许可申请2条,本年处理决定数量2条。

(一)主动公开信息情况

2021年沂源县气象局共主动公开政府信息42条。其中,政府网站公开信息36条,政务新媒体公开信息6条,其他渠道公开信息0条。

 

  

2021年围绕决策公开、管理和服务公开、执行和结果公开,加强会议公开力度,主动3次专题会议,共制发公开规范性文件2件,政务公开机构设置、分管负责人和领导小组文件3件,修订了《沂源县气象局2021年度信息公开指南》,详细规定了依申请公开、政策性文件解读、政务会议开放、重大决策预公开、政府信息公开保密审查等方面的工作内容。制发《沂源县人民政府办公室关于印发沂源县气象在灾害应急预案的通知》《政务公开工作方案》。

 (二)依申请公开情况

2021年沂源县气象局办公室收到依申请公开0条。近年来,我局未收到任何依申请公开。

(三)政府信息管理情况

建立健全政府信息动态调整机制,严格执行信息公开审查审批制度,涉及组织机构、政策法规、规划总结、资金信息、公示公告、人事任免等方面的每项需要网上主动公开的信息均由局办公室负责做好事先保密审查。严格落实政府信息公开属性源头认定机制,在文件拟稿纸均设有公开属性选项,并在正式文件固定位置标注公开属性。

(四)平台建设情况

根据县大数据政务公开工作要点要求,不断优化政府网站栏目,设置政务公开专栏,增设气象信息公开专题,突出沂源气象局特色,在沂源县时讯和沂源县政务公开在行动专栏增加公开度,增强用户体验,更好服务群众。

 

 

  

(五)监督保障情况

由局办公室承担沂源县气象局的政务公开工作,2021年共召开政务公开专题专项会议和培训3期。抓好业务培训工作,持续推动以干代训,提高本单位信息公开能力和水平。

二、主动公开政府信息情况

第二十条第(一)项

信息内容

本年新制作数量

本年废止件数

现行有效件数

规章

0

0

0

规范性文件

0

0

0

第二十条第(五)项

信息内容

本年处理决定数量

行政许可

2

第二十条第(六)项

信息内容

本年处理决定数量

行政处罚

0

行政强制

0

第二十条第(八)项

信息内容

本年收费金额(单位:万元)

行政事业性收费

0

三、收到和处理政府信息公开申请情况

(本列数据的勾稽关系为:第一项加第二项之和,等于第三项加第四项之和)

申请人情况

自然人

法人或其他组织

总计

商业企业

科研机构

社会公益组织

法律服务机构

其他

一、本年新收政府信息公开申请数量

0

0

0

0

0

0

0

二、上年结转政府信息公开申请数量

0

0

0

0

0

0

0

三、本年度办理结果

(一)予以公开

0

0

0

0

0

0

0

(二)部分公开(区分处理的,只计这一情形,不计其他情形)

0

0

0

0

0

0

0

(三)不予公开

1.属于国家秘密

0

0

0

0

0

0

0

2.其他法律行政法规禁止公开

0

0

0

0

0

0

0

3.危及“三安全一稳定”

0

0

0

0

0

0

0

4.保护第三方合法权益

0

0

0

0

0

0

0

5.属于三类内部事务信息

0

0

0

0

0

0

0

6.属于四类过程性信息

0

0

0

0

0

0

0

7.属于行政执法案卷

0

0

0

0

0

0

0

8.属于行政查询事项

0

0

0

0

0

0

0

(四)无法提供

1.本单位不掌握相关政府信息

0

0

0

0

0

0

0

2.没有现成信息需要另行制作

0

0

0

0

0

0

0

3.补正后申请内容仍不明确

0

0

0

0

0

0

0

(五)不予处理

1.信访举报投诉类申请

0

0

0

0

0

0

0

2.重复申请

0

0

0

0

0

0

0

3.要求提供公开出版物

0

0

0

0

0

0

0

4.无正当理由大量反复申请

0

0

0

0

0

0

0

5.要求行政机关确认或重新出具已获取信息

0

0

0

0

0

0

0

(六)其他处理

1.申请人无正当理由逾期不补正、行政机关不再处理其政府信息公开申请。

0

0

0

0

0

0

0

2.申请人逾期未按收费通知要求 缴纳费用、行政机关不再处理其

政府信息公开申请

0

0

0

0

0

0

0

3.其他

0

0

0

0

0

0

0

(七)总计

0

0

0

0

0

0

0

四、结转下年度继续办理

0

0

0

0

0

0

0

 

四、政府信息公开行政复议、行政诉讼情况

行政复议

行政诉讼

结果维持

结果纠正

其他结果

尚未审结

总计

未经复议直接起诉

复议后起诉

结果维持

结果纠正

其他结果

尚未审结

总计

结果维持

结果纠正

其他结果

尚未审结

总计

0

0

0

0

0

0

0

0

0

0

0

0

0

0

 

五、存在的主要问题及改进情况

(一)工作中存在的主要问题和困难

2021年沂源县气象局始终践行为人民服务初心,不断推进政务公开工作,推动政务公开工作由少数人专职向单位人人参与转变,促进政务公开健康发展,但与人民群众的需求和法治政府建设相比还存在一些短板。

一是信息公开、更新及时需要提前、公开内容有待完善、规章制度有待健全。对政务公开专业知识的学习不够,对《条例》内容的把握不够准确。

二是决策公开仍需进一步加强,公众参与具体举措需进一步细化完善。

三是部分职能科室对政府公开工作学习认识不足,对符合公开的内容没有及时、全面的向办公室提供,影响了公开到位。政策解读方式需进一步多元化,图片解读、视频解读质量和比例需进一步提高。

四是对政府信息公开的宣传力度待加强,依申请公开能力和回应关切能力有待提升。

(二)具体解决办法和改进措施

一是加强制度建设。健全和完善本单位政府信息公开制度,规范公开内容,提高公开质量。深入贯彻落实《条例》,规范政府信息公开指南和主动公开目录,完善依申请办理工作程序,动态拓展主动公开范围,制定全县工作要点,加强对政务公开工作的指导。

二是深化政策解读和民生回应。加大信息工作工作安排部署力度,提高各职能科室对信息公开工作的重视程度加强对重要政策文件发布实施后的政策解读,加大对重点领域政府信息的公开力度,积极回应公众关切,提高群众满意度。

三是深化公众参与。加强信息工作业务知识的学习培训,提升技术支持,提升整体工作水平。严格履行重大行政决策公众参与程序,继续开展多种形式的公众参与活动,提升公众参与度和政府公信力。

四是全面推进政务公开标准化规范化建设。以信息公开带动办事公开、带动便民服务。对政务公开事项进行全面梳理,推进办事服务全过程公开。

五是加强平台建设。强化公开专栏规范化建设,加强线下公开场所和公开渠道建设。

六是加强监督考核。完善工作考核和督查机制,分类抓好工作指导培训,强化工作监督和考核评估。

六、其他需要报告的事项

1、依据《政府信息公开信息处理费管理办法》2021年未收取信息处理费。

2、2021年落实政务公开工作要点情况加强安全生产信息公开,加大事故查处和责任追究信息公开力度。及时公布本地区自然资源和安全生产突发公共事件等各类应急预案信息,做好防灾减灾、预警预报及灾害救助等信息发布

3、2021年,沂源县气象局未收到相关人大建议 

4、2021年度政务公开工作创新情况,《以案释法》公开,加强对气象行政执法宣传,强化气象部门安全监管职责,提高防雷行政许可事项办理手续企业的满意度。

5、2021年度收到行政许可申请2条,本年处理决定数量2条。

6、需要报告的其他事项

7、按照有关文件专门要求通过政府信息公开沂源县气象局2021年法治建设工作报告

 

 

 

 

 

沂源县气象局2020年政府信息公开工作年度报告

时间:2021-01-30

根据《中华人民共和国政府信息公开条例》和各级政府有关信息公开的要求,结合我局信息公开工作实际,现向社会公开2020年度气象局政府信息公开年度报告。本报告中所列数据的统计期限自202011日起至20201231日止。公民、法人及其他组织需要查询报告中相关政府信息公开工作事项或对本报告有任何疑问的,请与沂源县气象局办公室联系(地址:沂源县陵南路23号,气象局二楼办公室;邮编:256100;电话:0533-323105;传真:0533-3241121;电子邮箱: sqxjyy@zb.shandong.cn )。

  一、总体情况

2020年,沂源县气象局政府信息公开工作深入贯彻沂源县政府和淄博市气象局有关部署精神,结合部门实际,认真贯彻落实《中华人民共和国政府信息公开条例》,进一步完善了信息公开各项制度,确保政府信息公开工作持续良好开展。
    (一)完善组织体系。由局办公室牵头,做好政府信息公开工作,统筹协调编制政府信息公开指南,组织政府信息公开相关工作人员参加县里统一组织的政府信息公开培训,全力推进我局政府信息公开工作。

(二)健全工作机制。将政府信息公开工作纳入领导班子工作会议和局务会议进行安排部署。进一步完善了信息公开工作制度,严格执行信息公开审查审批制度,涉及组织机构、政策法规、规划总结、资金信息、公示公告、人事任免等方面的每项需要网上主动公开的信息均由局办公室负责做好事先保密审查。

(三)完善公开载体。按要求认真对照主动公开目录,对各类公开信息和工作动态及时进行更新上传,做好公开信息的及时性、完整性和一致性。按照形式服从内容、方便公众办事和监督的原则,对政府信息公开内容进行分类、编排。

 二、主动公开政府信息情况

第二十条第(一)项

信息内容

本年新制作数量

本年新公开数量

对外公开总数量

规章

0

0

0

规范性文件

0

0

0

第二十条第(五)项

信息内容

上一年项目数量

本年增/减

处理决定数量

行政许可

2

0

0

其他对外管理服务事项

5

0

0

第二十条第(六)项

信息内容

上一年项目数量

本年增/减

处理决定数量

行政处罚

15

0

0

行政强制

0

0

0

第二十条第(八)项

信息内容

上一年项目数量

本年增/减

行政事业性收费

0

0

第二十条第(九)项

信息内容

采购项目数量

采购总金额

政府集中采购

0

0

三、收到和处理政府信息公开申请情况

(本列数据的勾稽关系为:第一项加第二项之和,等于第三项加第四项之和)

申请人情况

自然人

法人或其他组织

总计

商业企业

科研机构

社会公益组织

法律服务机构

其他

一、本年新收政府信息公开申请数量

0

0

0

0

0

0

0

二、上年结转政府信息公开申请数量

0

0

0

0

0

0

0

三、本年度办理结果

(一)予以公开

0

0

0

0

0

0

0

(二)部分公开(区分处理的,只计这一情形,不计其他情形)

0

0

0

0

0

0

0

(三)不予公开

1.属于国家秘密

0

0

0

0

0

0

0

2.其他法律行政法规禁止公开

0

0

0

0

0

0

0

3.危及“三安全一稳定”

0

0

0

0

0

0

0

4.保护第三方合法权益

0

0

0

0

0

0

0

5.属于三类内部事务信息

0

0

0

0

0

0

0

6.属于四类过程性信息

0

0

0

0

0

0

0

7.属于行政执法案卷

0

0

0

0

0

0

0

8.属于行政查询事项

0

0

0

0

0

0

0

(四)无法提供

1.本单位不掌握相关政府信息

0

0

0

0

0

0

0

2.没有现成信息需要另行制作

0

0

0

0

0

0

0

3.补正后申请内容仍不明确

0

0

0

0

0

0

0

(五)不予处理

1.信访举报投诉类申请

0

0

0

0

0

0

0

2.重复申请

0

0

0

0

0

0

0

3.要求提供公开出版物

0

0

0

0

0

0

0

4.无正当理由大量反复申请

0

0

0

0

0

0

0

5.要求行政机关确认或重新出具已获取信息

0

0

0

0

0

0

0

(六)其他处理

0

0

0

0

0

0

0

(七)总计

0

0

0

0

0

0

0

四、结转下年度继续办理

0

0

0

0

0

0

0

四、政府信息公开行政复议、行政诉讼情况

行政复议

行政诉讼

结果维持

结果纠正

其他结果

尚未审结

总计

未经复议直接起诉

复议后起诉

结果维持

结果纠正

其他结果

尚未审结

总计

结果维持

结果纠正

其他结果

尚未审结

总计

0

0

0

0

0

0

0

0

0

0

0

0

0

0

 0

五、存在的主要问题及改进情况

(一)工作中存在的主要问题和困难

1.信息公开和更新不够及时、公开内容有待进一步拓展、规章制度有待进一步健全。

2.对政府信息公开的宣传力度不够。在一定程度上影响了工作的开展。

3.部分职能科室对政府公开工作认识不足,对符合公开的内容没有及时、全面的向办公室提供,影响了公开到位。

(二)具体解决办法和改进措施

1.进一步健全和完善政府信息公开制度,规范公开内容,提高公开质量。

2.加大工作安排部署力度,提高各科室对信息公开工作的重视程度。加强业务学习培训,提升技术支持,提升整体工作水平。以信息公开带动办事公开、带动便民服务。

六、建议提案办理结果公开情况  

、其他需要报告的事项

无。

沂源县气象局

2021-01-30

沂源县气象局2015年政府信息公开年度报告

时间:2020-11-30

                                              沂源县气象局

                                                          2015年政府信息公开工作年度报告

     根据《中华人民共和国政府信息公开条例》(以下简称《条例》),特向社会公布2015年度沂源县气象局信息公开年度报告。本报告包括:政府信息公开工作概述、政府信息公开的组织领导和制度建设情况、重点领域政府信息公开工作推进情况、主动公开政府信息以及公开平台建设情况、政府信息公开申请的办理情况、政府信息公开的收费及减免情况、因政府信息公开申请提起行政复议和行政诉讼的情况、政府信息公开保密审查及监督检查情况、政府信息公开工作存在的主要问题及改进情况、需要说明的事项与附表共10个部分组成,本报告中所列数据的计算期限为2015年1月1

日起至2015年12月31日止。

     一、政府信息公开工作概述

    2015年,沂源县气象局全面贯彻县委、县政府及市气象局的部署和要求,严格按照“严格依法、全面真实、及时便民”的信息公开要求,高标准、高质量、高效率地完成政府信息公开工作任务。明确了相关科室的工作责任,各科室指定专人承担信息公开工作,逐步建立起“党政领导齐抓共管、职工群众参与”的信息公开工作体制。进一步完善了局务(政府信息)公开制度,努力做到:组织领导到位,工作责任到位,制度措施到位,监督考核到位,责任追究到位,宣传教育到位。2015年主动公开信息数11条,业务公开信息数11条,政府信息公开兼职人员2人。

     二、信息公开的组织领导和制度建设情况

    2015年沂源县气象局切实加强对政府信息公开工作的领导,成立了以局长李春德为组长,各科室负责人为成员的信息公开工作领导小组。政府信息公开工作由局办公室负责,并明确2人负责编辑和上报政务信息,配备电脑等必要的办公设备。积极参加县政府信息办组织的信息公开工作培训,制订了《沂源县气象局政府信息公开工作的综合制度规范》,在宣传栏中详细写出政府信息公开年度工作计划、工作目标和具体措施。建立了《沂源县气象局政府信息申请公开制度》、《沂源县气象局政府信息公开保密审查制度》、《沂源县气象局政府信息公开工作评议考核制度》、《沂源县气象局政府信息公开责任追究制度》等相关工作制度。

     三、重点领域政府信息公开工作推进情况

    2015年,我局完成了承担的1个国家级建设项目。在项目执行过程中,严格执行招投标制度,严格项目管理。通过政务公开栏等形式进行公开,做到程序公开、制度公开、招标公开、财务公开,自觉接受群众监督,确保项目工程的质量和进度。

     四、主动公开信息及公开平台建设情况

    沂源县气象局坚持信息公开的原则,从资料采集到信息公开,做到专人负责,领导审阅、签批,确保信息数据准确详实。2015年,我局的政务信息公开工作没有接到任何的举报意见或建议,没有出现信息虚假、不完整现象。

五、政府信息公开申请的办理情况

2015年,县气象局无申请公开信息。

六、政府信息公开的收费及减免情况

2015年,我局未受理任何形式的申请,未收取任何费用。

七、因政府信息公开申请提起行政复议、行政诉讼的情况

2015年,县气象局没有因政府信息公开工作而被申请行政复议或被提起行政诉讼。

八、政府信息公开保密审查及监督检查情况

2015年,县气象局严格保密制度加强监督检查,建立公文类信息公开审核制度,没有出现失密、泄密情况。

九、政府信息公开工作存在的主要问题及改进情况

2015年,县气象局在政府信息公开工作方面加强了组织领导,狠抓制度建设,丰富公开内容,按要求进行公布。最主要的问题就是如何确保信息的及时发布以及多种渠道进行公布。针对这些问题,在下一步工作中,我局将采取有效措施,认真加以解决。为进一步切实做政府信息公开工作,气象局特制定以下几种方法:

1.进一步完善政府信息公开工作机制

完善组织领导机制、考核制度,创新工作方式和方法,有计划有步骤地推进信息公开工作。

2.进一步创新政府信息公开工作方式

围绕政府信息公开工作的新情况、新问题,深入总结研究新形势下的特点和规律,不断改革创新,提高工作质量和水平。

3.进一步优化和丰富政府信息公开渠道

完善网上统一服务平台,推进网上信息公开平台建设,打造 “一站式”气象公共服务信息传播平台。

十、需要说明的事项及附表

(一) 主动公开情况说明

2015年我局主动公开政府信息数为11条。

(二) 附表

 

 

 

                               沂源县气象局

                              2016年3月3日

 

 

 

 

 

 

 

 

 

 

 

 

 

 

 

 

 

 

 

 

2015年度政府信息公开工作情况统计表

(县政府各部门、有关单位填写)

填报单位: 沂源县气象局

指标名称

计量单位

本年累计

一、主动公开信息数

11

其中: 1.机构领导、设置及人事类信息

 

       2.政策法规、规范性文件信息

 

       3.业务公开信息

 

       4.规划计划、统计信息

 

       5.财务预决算信息

 

       6.招标采购信息

 

二、信息公开申请数

11

其中: 1.信函及传真申请数

 

       2.网上填表及电子邮件申请数

 

       3.当面申请数

 

三、对申请的答复数

 

其中: 1.同意公开数

 

       2.同意部分公开数

 

       3.不予公开数

 

       4.其他情况

 

四、依申请提供信息收取费用数

 

五、政府信息公开被举报数

 

其中: 1.维持具体行政行为

 

       2.纠错

 

六、政府信息公开被行政复议数

 

其中: 1.维持具体行政行为

 

2.纠错

 

七、政府信息公开被诉讼数

 

其中: 1.维持具体行政行为

 

2.纠错

 

八、开通政府信息公开网站(或设立门户网站信息公开专栏)数

 

九、召开新闻发布会数

 

十、向图书馆、档案馆等查阅场所报送信息数

 

其中: 1.纸质文档

 

       2.电子文档

 

十一、政府信息公开指定工作人员数

2

其中: 1.全职人员

 

2.兼职人员

2

十二、组织学习培训次数

 

十三、参加学习培训人员数

 

 

政府信息公开情况分析说明

(描述本部门、本单位政府信息公开工作总体情况,并对申请情况等有关指标作同比分析,对其中发生明显变化的指标进行具体分析。重点对公众关注点以及答复处理等方面出现的问题作出说明,对其中难以判断是否属于免于公开的案例进行举例说明,并对本部门处理不满的申诉案件作相应的跟踪记录,可针对有关问题提出应对策略和建议。)

 

 

 

 

 

 

 

 

 

 

 

 

 

 

 

单位负责人:李春德 填表人:王钰涵 联系方式:3231055  填表日期: 2016.3.3

 

 

附件3:

政府信息公开工作机构情况表

 

单位:沂源县气象局                   填报时间:2016.3.3

 

姓名

职务

工作电话

移动电话

备注

分管负责人

彭成浩

副局长

3231055

13864308067

 

联  系  人

王钰涵

 

3231055

13561656656

 

 

注:人员如有变动请及时书面告知县政府信息中心。

 

 

 

 

 

沂源县气象局2019年政府信息公开工作年度报告

时间:2020-01-14

根据《中华人民共和国政府信息公开条例》、市政府办公厅《关于做好政府信息公开工作年度报告编制工作的通知》和县政府要求,特向社会公布2019年度本单位信息公开年度报告。全文包括总体情况、主动公开信息情况、依申请公开信息办理情况、存在的主要问题及改进情况等,并附相关统计表。本报告的统计数据时限为2019年1月1日至2019年12月31日。本报告将在沂源县人民政府网站上公布。如对本报告有任何疑问,请联系:沂源县气象局办公室,联系电话:0533-3231055。

一、总体情况

2019年,沂源县气象部门政府信息公开工作深入贯彻沂源县政府和淄博市气象局有关部署精神,结合部门实际,认真贯彻落实《中华人民共和国政府信息公开条例》,进一步完善了信息公开各项制度,确保政府信息公开工作持续良好开展。

       (一)主动公开内容

2019年,我单位主动公开政府信息23条,机构职能3条重点领域信息公开10条,其他相关信息8条。

(二)依申请公开情况

    2019年,未通过各种渠道收到有关政府信息公开申请。

(三)政府信息管理情况

由局办公室为政府信息公开工作的主要负责部门,统筹协调编制政府信息公开指南,组织政府信息公开相关工作人员参加县里统一组织的政府信息公开培训,全力推进我局政府信息公开工作。将政府信息公开工作纳入局长办公会和局务会议议事,年内至少有4次会议涉及研究政府信息公开事项。

(四)政府信息公开平台、机构建设和人员情况

成立了以局主要领导任组长,分管领导任副组长,各科室负责人为成员的信息公开领导小组,确定局办公室为具体承办科室负责对全局的政府信息进行审核、统计以及向社会公开,确保信息公开工作扎实开展。     

(五)监督保障情况

 进一步完善了信息公开工作制度,严格执行信息公开审查审批制度,涉及组织机构、政策法规、规划总结、资金信息、公示公告、人事任免等方面的每项上网主动公开信息均由局办公室负责事先保密审查。按要求认真对照主动公开目录,对各类公开信息和工作动态及时进行更新上传,做好公开信息的及时性、完整性和一致性。按照形式服从内容、方便公众办事和监督的原则,对政府信息公开内容进行分类、编排。

(六)建议提案办理结果公开情况 

无。

二、主动公开政府信息情况

第二十条第(一)项

信息内容

本年新制作数量

本年新
公开数量

对外公开

总数量

规章

   

规范性文件

   

第二十条第(五)项

信息内容

上一年项目数量

本年增/减

处理决定数量

行政许可

   

其他对外管理服务事项

   

第二十条第(六)项

信息内容

上一年项目数量

本年增/减

处理决定数量

行政处罚

   

行政强制

   

第二十条第(八)项

信息内容

上一年项目数量

本年增/减

行政事业性收费

 

第二十条第(九)项

信息内容

采购项目数量

采购总金额

政府集中采购

 

 

三、收到和处理政府信息公开申请情况

(本列数据的勾稽关系为:第一项加第二项之和,

等于第三项加第四项之和)

申请人情况

自然人

法人或其他组织

总计

商业企业

科研机构

社会公益组织

法律服务机构

其他

一、本年新收政府信息公开申请数量

           

0

二、上年结转政府信息公开申请数量

           

0

三、本年度办理结果

(一)予以公开

           

0

(二)部分公开(区分处理的,只计这一情形,不计其他情形)

           

0

(三)不予公开

1.属于国家秘密

           

0

2.其他法律行政法规禁止公开

           

0

3.危及“三安全一稳定”

           

0

4.保护第三方合法权益

           

0

5.属于三类内部事务信息

           

0

6.属于四类过程性信息

           

0

7.属于行政执法案卷

           

0

8.属于行政查询事项

           

0

(四)无法提供

1.本机关不掌握相关政府信息

           

0

2.没有现成信息需要另行制作

           

0

3.补正后申请内容仍不明确

           

0

(五)不予处理

1.信访举报投诉类申请

           

0

2.重复申请

           

0

3.要求提供公开出版物

           

0

4.无正当理由大量反复申请

           

0

5.要求行政机关确认或重新

出具已获取信息

           

0

(六)其他处理

           

0

(七)总计

           

0

四、结转下年度继续办理

           

0

 

四、政府信息公开行政复议、行政诉讼情况

 

行政复议

行政诉讼

结果

维持

结果纠正

其他结果

尚未

审结

未经复议直接起诉

复议后起诉

结果维持

结果纠正

其他

结果

尚未

审结

总计

结果维持

结果

纠正

其他

结果

尚未审结

总计

       

0

       

0

       

0

 

五、存在的主要问题及改进情况

(一)工作中存在的主要问题和困难

   一是信息公开和更新不够及时、公开内容有待进一步拓展、规章制度有待进一步健全、二是对政府信息公开的宣传力度不够。在一定程度上影响了工作的开展。三是部分职能科室对政府公开工作认识不足,对符合公开的内容没有及时、全面的提供,影响了公开到位。 

 (二)具体解决办法和改进措施

  一是进一步健全和完善政府信息公开制度,规范公开内容,提高公开质量。二是加大宣传力度,提高公众的知晓率和参与度。以信息公开带动办事公开、带动便民服务;三是加强业务学习培训,提升技术支持,提升整体工作水平。

六、其他需要报告的事项

      无沂源县气象局2019年政府信息公开工作年度报告.docx

沂源县气象局2018年政府信息公开年度报告

时间:2019-03-05

2018年,沂源县气象部门政府信息公开工作深入贯彻沂源县政府和淄博市气象局有关部署精神,结合部门实际,坚持主动公开和依申请公开两手抓,确保政府信息公开工作依法规范。现就2018年气象政府信息公开工作要点落实情况总结报告如下:

        一、夯实制度和基础

        完善组织体系。由局办公室负责政府信息公开工作协调、管理和督查工作,落实1人负责信息上传工作,并认真组织政府信息公开相关工作人员参加县里统一组织的政府信息公开培训,着力提升办理依申请公开工作能力。

        健全工作机制。将政府信息公开工作纳入局长办公会和局务会议议事,年内至少有4次会议涉及研究政府信息公开事项。制定了《沂源县气象局政府信息公开工作制度》,逐项明确主动公开事项责任主体。严格执行信息公开审查审批制度,涉及组织机构、政策法规、规划总结、资金信息、公示公告、人事任免等方面的每项上网主动公开信息均由局办公室负责事先保密审查。

    完善公开载体。按要求认真对照主动公开目录,对各类公开信息和工作动态及时进行更新上传,做好公开信息的及时性、完整性和一致性。按照形式服从内容、方便公众办事和监督的原则,对政府信息公开内容进行分类、编排。

        二、政府信息主动公开情况

        (一)网上政府信息公开

        通过县政府网站信息公开平台系统报送机构职能、重点领域、法规文件等主动公开的政府信息5条。每天下午4点制作天气预报通过村村响、电子显示屏、短信等手段发布,并联合电视台进行播报。

     (二)积极拓展信息公开渠道

        为充分利用现有资源,降低政府信息公开投入成本,进一步拓展政府信息公开的渠道,扩大信息公开的覆盖面,利用政风行风热线、“3.23世界气象日”“5.12防灾减灾日”及科技活动周等专题活动,积极向社会公众进行公开,组织干部职工在县城振兴路、文化广场等向公众发放气象知识宣传单,进行科普气象日宣传,解答群众提出的气象问题,回应群众关心的热点。

    (三)强化主动公共服务信息

坚持每天动态更新各类天气预报信息、气象实况信息、气象旬月报以及气象灾害预警等特殊天气预报预警信息等。实行24小时业务值班和领导带班制度,加强汛期气象服务,严密监视天气变化,重点抓好灾害性和转折性天气服务工作。全年共制作发布预警信号79期,通过短信、邮件、传真、显示屏、大喇叭、电视广播、微信等多种手段,对外发布服务产品。共制作发布天气预报365期,雨情信息67期累计发送短信110万余条

    (四)有序推进行政权力运行信息公开和申请公开工作

       推进行政审批信息公开。及时公布县本级行政审批项目目录,依法公开行政审批流程图,接受社会监督。加强行政审批项目调整信息公开,及时公开取消、下放的行政审批项目和承接上级政府下放的行政审批项目信息。依法推进行政审批办理信息公开,及时将受理机构、实施依据、审批条件、办结时限以及申请时需要提交的材料目录、申请书示范文本、监督渠道等信息一次性全部公开,加强行政审批办理情况公开。

    2018年度受理并通过的气象数据公开申请61件,通过办公室和气象台设置的查阅点为需求单位、企业和个人提供信息查阅服务,其中为县直部门单位提供信息查阅、公开8件。

        三、政府信息公开存在主要问题以及改进情况

(一)存在主要问题

我局政府信息公开工作开展以来,在服务群众,加强沟通等方面取得了明显的进步,但还存在一定差距。主要表现在,一是工作繁重单位人员编制紧缺,存在信息公开和更新还不够及时、公开内容有待进一步拓展、规章制度有待进一步健全、对政府信息公开的宣传力度不够。在一定程度上影响了工作的开展。在政府公开方面,部分职能科室对政府公开工作认识不足,对符合公开的内容没有及时、全面的提供,影响了公开到位。

(二)政府信息公开整改方向

针对新形势、新情况,2019年我局在政府信息公开工作将重点抓四方面工作:

1.进一步健全和完善政府信息公开制度,规范公开内容,提高公开质量。促使我局政府信息公开工作朝规范化、制度化方向发展。

2.进一步加大监督检查力度。一是加强监督。督促落实政府公开工作。二是自觉接受政府及群众的监督,特别是要充分发挥新闻舆论等社会监督的作用。在以完善投诉信箱、监督投诉电话等形式主动接受社会监督的基础上,通过政府网站进一步拓宽便民的监督形式和方法。

3.一是突出政府信息公开的重点。在深化完善和巩固提高上下功夫。同时,要求按照有关规定,根据效能建设有关要求,进一步公开办事程序、办事标准、办事结果,并在工作质量、态度、时效等方面作出承诺,不断增强工作透明度。

 

 

 

                                                                    沂源县气象局

                                                                    2019年1月15日

 

 

2018年度政府信息公开工作情况统计表

统 计 指 标

单位

统计数

一、主动公开情况

   

  (一)主动公开政府信息数(不同渠道和方式公开相同信息计1条)

5   

      其中:主动公开规范性文件数

2

         制发规范性文件总数

2

  (二)通过不同渠道和方式公开政府信息的情况

   

     1.政府公报公开政府信息数

 

     2.政府网站公开政府信息数

5

     3.政务微博公开政府信息数

 

     4.政务微信公开政府信息数

 

     5.其他方式公开政府信息数

 

二、回应解读情况(不同方式回应同一热点或舆情计1次)

 

13

(一)回应公众关注热点或重大舆情数

13

  (二)通过不同渠道和方式回应解读的情况

   

     1.参加或举办新闻发布会总次数

 

      其中:主要负责同志参加新闻发布会次数

 

     2.政府网站在线访谈次数

 

      其中:主要负责同志参加政府网站在线访谈次数

 

     3.政策解读稿件发布数

 

     4.微博微信回应事件数

 

     5.其他方式回应事件数

 

三、依申请公开情况

   

  (一)收到申请数

 

     1.当面申请数

 

     2.传真申请数

 

     3.网络申请数

 

     4.信函申请数

 

5.其他形式

 

  (二)申请办结数

 

     1.按时办结数

 

     2.延期办结数

 

  (三)申请答复数

 

     1.属于已主动公开范围数

 

     2.同意公开答复数

 

     3.同意部分公开答复数

 

     4.不同意公开答复数

 

      其中:涉及国家秘密

 

         涉及商业秘密

 

         涉及个人隐私

 

         危及国家安全、公共安全、经济安全和社会稳定

 

         不是《条例》所指政府信息

 

         法律法规规定的其他情形

 

     5.不属于本行政机关公开数

 

     6.申请信息不存在数

 

     7.告知作出更改补充数

 

     8.告知通过其他途径办理数

 

四、行政复议数量

 

  (一)维持具体行政行为数

 

  (二)被依法纠错数

 

  (三)其他情形数

 

五、行政诉讼数量

 

  (一)维持具体行政行为或者驳回原告诉讼请求数

 

  (二)被依法纠错数

 

  (三)其他情形数

 

六、被举报投诉数量

 

  (一)维持具体行政行为数

 

  (二)被纠错数

 

  (三)其他情形数

 

七、向图书馆、档案馆等查阅场所报送信息数

 

  (一)纸质文件数

 

  (二)电子文件数

 

八、政府公报发行量

   

(一)公报发行期数

 

(二)公报发行总份数

 

九、设置政府信息查阅点数

2

(一)县直部门、单位

 

(二)街道、镇办及经济开发区

 

十、查阅点接待人数

61

(一)县直部门、单位

8

(二)街道、镇办及经济开发区

 

十二、机构建设和保障经费情况

   

  (一)政府信息公开工作机构数

1

  (二)从事政府信息公开工作人员数

 

     1.专职人员数(不包括政府网站工作人员数)

 

     2.兼职人员数

3

  (三)政府信息公开专项经费(不包括政府网站建设维护等方面的经费)

万元

 

十三、政府信息公开会议和培训情况

 

2

  (一)召开政府信息公开工作会议或专题会议数

 

  (二)举办各类培训班数

2

  (三)接受培训人员数

人次

163

                                                 沂源县气象局

 

沂源县气象局2016年政府信息公开年度报告

时间:2018-03-17

 

沂源县气象局

2016年政府信息公开工作年度报告

     

根据《中华人民共和国政府信息公开条例》(以下简称《条例》),特向社会公布2016年度沂源县气象局信息公开年度报告。本报告包括:政府信息公开工作概述、政府信息公开的组织领导和制度建设情况、重点领域政府信息公开工作推进情况、主动公开政府信息以及公开平台建设情况、政府信息公开申请的办理情况、政府信息公开的收费及减免情况、因政府信息公开申请提起行政复议和行政诉讼的情况、政府信息公开保密审查及监督检查情况、政府信息公开工作存在的主要问题及改进情况、需要说明的事项与附表共10个部分组成,本报告中所列数据的计算期限为2016年1月1日起至2016年12月31日止。

    一、政府信息公开工作概述

    2016年,沂源县气象局全面贯彻县委、县政府及市气象局的部署和要求,严格按照“严格依法、全面真实、及时便民”的信息公开要求,高标准、高质量、高效率地完成政府信息公开工作任务。明确了相关科室的工作责任,各科室指定专人承担信息公开工作,逐步建立起“党政领导齐抓共管、职工群众参与”的信息公开工作体制。进一步完善了局务(政府信息)公开制度,努力做到:组织领导到位,工作责任到位,制度措施到位,监督考核到位,责任追究到位,宣传教育到位。2016年主动公开信息数89条,业务公开信息数89条,政府信息公开兼职人员2人。

    二、信息公开的组织领导和制度建设情况

    2016年沂源县气象局切实加强对政府信息公开工作的领导,政府信息公开工作由局办公室负责,并明确2人负责编辑和上报政务信息,配备电脑等必要的办公设备。积极参加县政府信息办组织的信息公开工作培训,制订了《沂源县气象局政府信息公开工作的综合制度规范》,在宣传栏中详细写出政府信息公开年度工作计划、工作目标和具体措施。建立了《沂源县气象局政府信息申请公开制度》、《沂源县气象局政府信息公开保密审查制度》、《沂源县气象局政府信息公开工作评议考核制度》、《沂源县气象局政府信息公开责任追究制度》等相关工作制度。

    三、重点领域政府信息公开工作推进情况

    2016年,我局完成了1个网络建设项目。在项目执行过程中,严格执行招投标制度,严格项目管理。通过政务公开栏等形式进行公开,做到程序公开、制度公开、招标公开、财务公开,自觉接受群众监督,确保项目工程的质量和进度。

    四、主动公开信息及公开平台建设情况

    沂源县气象局坚持信息公开的原则,从资料采集到信息公开,做到专人负责,领导审阅、签批,确保信息数据准确详实。2016年,我局的政务信息公开工作没有接到任何的举报意见或建议,没有出现信息虚假、不完整现象。

五、政府信息公开申请的办理情况

2016年,县气象局无申请公开信息。

六、政府信息公开的收费及减免情况

2016年,我局未受理任何形式的申请,未收取任何费用。

七、因政府信息公开申请提起行政复议、行政诉讼的情况

2016年,县气象局没有因政府信息公开工作而被申请行政复议或被提起行政诉讼。

八、政府信息公开保密审查及监督检查情况

2016年,县气象局严格保密制度加强监督检查,建立公文类信息公开审核制度,没有出现失密、泄密情况。

九、政府信息公开工作存在的主要问题及改进情况

2016年,县气象局在政府信息公开工作方面加强了组织领导,狠抓制度建设,丰富公开内容,按要求进行公布。最主要的问题就是如何确保信息的及时发布以及多种渠道进行公布。针对这些问题,在下一步工作中,我局将采取有效措施,认真加以解决。为进一步切实做政府信息公开工作,气象局特制定以下几种方法:

1.进一步完善政府信息公开工作机制

完善组织领导机制、考核制度,创新工作方式和方法,有计划有步骤地推进信息公开工作。

2.进一步创新政府信息公开工作方式

围绕政府信息公开工作的新情况、新问题,深入总结研究新形势下的特点和规律,不断改革创新,提高工作质量和水平。

3.进一步优化和丰富政府信息公开渠道

完善网上统一服务平台,推进网上信息公开平台建设,打造 “一站式”气象公共服务信息传播平台。

十、需要说明的事项及附表

(一) 主动公开情况说明

2016年我局主动公开政府信息数为89条。

(二) 附表

 

 

 

                               沂源县气象局

                              2017年3月9日

 

 

 

 

 

 

 

 

 

 

 

 

 

 

 

 

 

 

2016年度政府信息公开工作情况统计表

(县政府各部门、各有关单位适用)

统 计 指 标

单位

统计数

一、主动公开情况

 

    

  (一)主动公开政府信息数(不同渠道和方式公开相同信息计1条)

 8    

      其中:主动公开规范性文件数

 

         制发规范性文件总数

 

  (二)通过不同渠道和方式公开政府信息的情况

 

 

     1.政府网站公开政府信息数

 

     2.政务微博公开政府信息数

 

     3.政务微信公开政府信息数

 

     4.其他方式公开政府信息数

 81

二、回应解读情况

 

 

(一)回应公众关注热点或重大舆情数(不同方式回应同一热点或舆情计1次)

 9

  (二)通过不同渠道和方式回应解读的情况

 

 

     1.参加或举办新闻发布会总次数

 

       其中:主要负责同志参加新闻发布会次数

 

     2.政府网站在线访谈次数

 

       其中:主要负责同志参加政府网站在线访谈次数

 

     3.政策解读稿件发布数

 

     4.微博微信回应事件数

 

     5.其他方式回应事件数

 

三、依申请公开情况

 

 

  (一)收到申请数

 

     1.当面申请数

 

     2.传真申请数

 

     3.网络申请数

 

     4.信函申请数

 

          5.其他形式

 

  (二)申请办结数

 

     1.按时办结数

 

     2.延期办结数

 

  (三)申请答复数

 

 

     1.属于已主动公开范围数

 

     2.同意公开答复数

 

     3.同意部分公开答复数

 

     4.不同意公开答复数

 

       其中:涉及国家秘密

 

          涉及商业秘密

 

          涉及个人隐私

 

          危及国家安全、公共安全、经济安全和社会稳定

 

          不是《条例》所指政府信息

 

          法律法规规定的其他情形

 

     5.不属于本行政机关公开数

 

     6.申请信息不存在数

 

     7.告知作出更改补充数

 

     8.告知通过其他途径办理数

 

四、行政复议数量

 

  (一)维持具体行政行为数

 

  (二)被依法纠错数

 

  (三)其他情形数

 

五、行政诉讼数量

 

  (一)维持具体行政行为或者驳回原告诉讼请求数

 

  (二)被依法纠错数

 

  (三)其他情形数

 

六、被举报投诉数量

 

  (一)维持具体行政行为数

 

  (二)被纠错数

 

  (三)其他情形数

 

七、向图书馆、档案馆等查阅场所报送信息数

 

 

  (一)纸质文件数

 

  (二)电子文件数

 

八、依申请公开信息收取的费用

万元

 

九、机构建设和保障经费情况

 

 

 (一)开通政府网站数

 

  ()政府信息公开工作专门机构数

 

  ()设置政府信息公开查阅点数

 

  ()从事政府信息公开工作人员数

 

     1.专职人员数(不包括政府公报及政府网站工作人员数)

 

     2.兼职人员数

 

  ()政府信息公开专项经费(不包括政府公报编辑管理及政府网站建设

万元

 

十、政府信息公开会议和培训情况

 

 

  (一)召开政府信息公开工作会议或专题会议数

 

  (二)举办各类培训班数

 

  (三)接受培训人员数

人次

 

(注:各子栏目数总数要等于总栏目数量)

 

 

 

 

 

 

 

 沂源县气象局2016年政府信息公开年度报告.doc

沂源县气象局2017年政府信息公开工作年度报告

时间:2018-02-08

 

沂源县气象局

2017年度政府信息公开报告

    

    2017年,沂源县气象部门政府信息公开工作深入贯彻沂源县政府和淄博市气象局有关部署精神,结合部门实际,坚持主动公开和依申请公开两手抓,确保政府信息公开工作依法规范。现就2017年气象政府信息公开工作要点落实情况总结报告如下:

      一、夯实制度和基础

      完善组织体系。由局办公室负责政府信息公开工作协调、管理和督查工作,落实1人负责信息上传工作,并认真组织政府信息公开相关工作人员参加县里统一组织的政府信息公开培训,着力提升办理依申请公开工作能力。

      健全工作机制。将政府信息公开工作纳入局长办公会和局务会议议事,年内至少有4次会议涉及研究政府信息公开事项。制定了《沂源县气象局政府信息公开工作制度》,逐项明确主动公开事项责任主体。严格执行信息公开审查审批制度,涉及组织机构、政策法规、规划总结、资金信息、公示公告、人事任免等方面的每项上网主动公开信息均由局办公室负责事先保密审查,并统一编制公开索引号。

    完善公开载体。按要求认真对照主动公开目录,对各类公开信息和工作动态及时进行更新上传,做好公开信息的及时性、完整性和一致性。按照形式服从内容、方便公众办事和监督的原则,对政府信息公开内容进行分类、编排。

      二、政府信息主动公开情况

      (一)网上政府信息公开

      通过县政府网站信息公开平台系统报送政府机构、政策解读、规划计划、工作动态、人事信息、统计数据等主动公开的政府信息6条。每天下午4点制作天气预报通过村村响、电子显示屏、短信等手段发布,并联合电视台进行播报。

     (二)积极拓展信息公开渠道

      为充分利用现有资源,降低政府信息公开投入成本,进一步拓展政府信息公开的渠道,扩大信息公开的覆盖面,利用“3.23世界气象日”“5.12防灾减灾日”及科技活动周等专题活动,积极向社会公众进行公开,组织干部职工在县城振兴路、文化广场等向公众发放气象知识宣传单,进行科普气象日宣传。

    (三)强化主动公共服务信息

坚持每天动态更新各类天气预报信息、气象实况信息、气象旬月报以及气象灾害预警等特殊天气预报预警信息等。实行24小时业务值班和领导带班制度,加强汛期气象服务,严密监视天气变化,重点抓好灾害性和转折性天气服务工作。全年共制作发布预警信号79期,重要气象信息专报36条,通过短信、邮件、传真、显示屏、大喇叭、电视广播、微信等多种手段,对外发布服务产品。共制作发布天气预报365期,雨情信息52期,累计发送短信74万余条。

    (四)有序推进行政权力运行信息公开

      推进行政审批信息公开。及时公布县本级行政审批项目目录,依法公开行政审批流程图,接受社会监督。加强行政审批项目调整信息公开,及时公开取消、下放的行政审批项目和承接上级政府下放的行政审批项目信息。依法推进行政审批办理信息公开,及时将受理机构、实施依据、审批条件、办结时限以及申请时需要提交的材料目录、申请书示范文本、监督渠道等信息一次性全部公开,加强行政审批办理情况公开。

      三、政府信息公开存在主要问题以及改进情况

(一)存在主要问题

我局政府信息公开工作开展以来,在服务群众,加强沟通等方面取得了明显的进步,但还存在一定差距。主要表现在,一是工作繁重单位人员编制紧缺,存在信息公开和更新还不够及时、公开内容有待进一步拓展、规章制度有待进一步健全、对政府信息公开的宣传力度不够。在一定程度上影响了工作的开展。在政府公开方面,部分职能科室对政府公开工作认识不足,对符合公开的内容没有及时、全面公开到位。

(二)政府信息公开整改方向

针对新形势、新情况,2018年我局在政府信息公开工作将重点抓四方面工作:

抓考核促提高。把政府信息公开工作纳入干部考核的重要内容,切实抓紧抓好政府信息公开工作。

抓制度促规范。进一步健全和完善政府信息公开制度,规范公开内容,提高公开质量。促使我局政府信息公开工作朝规范化、制度化方向发展。

抓督查促落实。进一步加大监督检查力度。一是加强监督。督促落实政府公开工作。二是自觉接受政府及群众的监督,特别是要充分发挥新闻舆论等社会监督的作用。在以完善投诉信箱、监督投诉电话等形式主动接受社会监督的基础上,通过政府网站进一步拓宽便民的监督形式和方法。

抓重点促深化。一是突出政府信息公开的重点。在深化完善和巩固提高上下功夫。同时,要求按照有关规定,根据效能建设有关要求,进一步公开办事程序、办事标准、办事结果,并在工作质量、态度、时效等方面作出承诺,不断增强工作透明度。

 

    附件:2017年度政府信息公开工作情况统计表

 

 

 

2017年度政府信息公开工作情况统计表

单位名称:沂源县气象局

统 计 指 标

单位

统计

一、主动公开情况

   

  (一)主动公开政府信息数(不同渠道和方式公开相同信息计1条)

2

      其中:主动公开规范性文件数

2

         制发规范性文件总数

 

  (二)通过不同渠道和方式公开政府信息的情况

   

     1.政府网站公开政府信息数

6

     2.政务微博公开政府信息数

 

     3.政务微信公开政府信息数

 

     4.其他方式公开政府信息数

2

二、回应解读情况

   

(一)回应公众关注热点或重大舆情数(不同方式回应同一热点或舆情计1次)

8

  (二)通过不同渠道和方式回应解读的情况

   

     1.参加或举办新闻发布会总次数

 

       其中:主要负责同志参加新闻发布会次数

 

     2.政府网站在线访谈次数

 

       其中:主要负责同志参加政府网站在线访谈次数

 

     3.政策解读稿件发布数

 

     4.微博微信回应事件数

 

     5.其他方式回应事件数

 

三、依申请公开情况

   

  (一)收到申请数

4

     1.当面申请数

2

     2.传真申请数

 

     3.网络申请数

 

     4.信函申请数

2

          5.其他形式

 

  (二)申请办结数

4

     1.按时办结数

4

     2.延期办结数

 

  (三)申请答复数

4

     1.属于已主动公开范围数

 

     2.同意公开答复数

 

     3.同意部分公开答复数

 

     4.不同意公开答复数

 

       其中:涉及国家秘密

 

          涉及商业秘密

 

          涉及个人隐私

 

          危及国家安全、公共安全、经济安全和社会稳定

 

          不是《条例》所指政府信息

4

          法律法规规定的其他情形

 

     5.不属于本行政机关公开数

 

     6.申请信息不存在数

 

     7.告知作出更改补充数

 

     8.告知通过其他途径办理数

 

四、行政复议数量

 

  (一)维持具体行政行为数

 

  (二)被依法纠错数

 

  (三)其他情形数

 

五、行政诉讼数量

 

  (一)维持具体行政行为或者驳回原告诉讼请求数

 

  (二)被依法纠错数

 

  (三)其他情形数

 

六、被举报投诉数量

1

  (一)维持具体行政行为数

 

  (二)被纠错数

 

  (三)其他情形数

1

七、向图书馆、档案馆等查阅场所报送信息数

 

 

  (一)纸质文件数

 

  (二)电子文件数

 

八、机构建设和保障经费情况

   

  (一)政府信息公开工作专门机构数

 

  (二)设置政府信息公开查阅点数

 

      (三)查阅点接待人数

人次

 

  (四)从事政府信息公开工作人员数

 

     1.专职人员数(不包括政府公报及政府网站工作人员数)

 

     2.兼职人员数

 

  (五)政府信息公开专项经费(不包括政府公报编辑管理及政府网站建设)
       护等方面的经费)

万元

 

九、政府信息公开会议和培训情况

   

  (一)召开政府信息公开工作会议或专题会议数

 

  (二)举办各类培训班数

2

  (三)接受培训人员数

人次

163

2013年政府信息公开工作年度报告

时间:2014-04-01

沂源县气象局

2013年政府信息公开工作年度报告

     根据《中华人民共和国政府信息公开条例》(以下简称《条例》),特向社会公布2013年度沂源县气象局信息公开年度报告。本报告包括:政府信息公开工作概述、政府信息公开的组织领导和制度建设情况、重点领域政府信息公开工作推进情况、主动公开政府信息以及公开平台建设情况、政府信息公开申请的办理情况、政府信息公开的收费及减免情况、因政府信息公开申请提起行政复议和行政诉讼的情况、政府信息公开保密审查及监督检查情况、政府信息公开工作存在的主要问题及改进情况、需要说明的事项与附表共10个部分组成,本报告中所列数据的计算期限为2013年1月1

日起至2013年12月31日止。

一、政府信息公开工作概述

2013年,沂源县气象局全面贯彻县委、县政府及市气象局的部署和要求,严格按照“严格依法、全面真实、及时便民”的信息公开要求,高标准、高质量、高效率地完成政府信息公开工作任务。明确了相关科室的工作责任,各科室指定专人承担信息公开工作,逐步建立起“党政领导齐抓共管、职工群众参与”的信息公开工作体制。进一步完善了局务(政府信息)公开制度,努力做到:组织领导到位,工作责任到位,制度措施到位,监督考核到位,责任追究到位,宣传教育到位。沂源县在2013年主动公开信息数9条,业务公开信息数9条,政府信息公开兼职人员2人。

二、信息公开的组织领导和制度建设情况

2013年沂源县气象局切实加强对政府信息公开工作的领导,成立了以局长李春德为组长,各科室负责人为成员的信息公开工作领导小组。政府信息公开工作由局办公室负责,并明确2人负责编辑和上报政务信息,配备电脑等必要的办公设备。积极参加县政府信息办组织的信息公开工作培训,制订了《沂源县气象局政府信息公开工作的综合制度规范》,在宣传栏中详细写出政府信息公开年度工作计划、工作目标和具体措施。建立了《沂源县气象局政府信息申请公开制度》、《沂源县气象局政府信息公开保密审查制度》、《沂源县气象局政府信息公开工作评议考核制度》、《沂源县气象局政府信息公开责任追究制度》等相关工作制度。

三、重点领域政府信息公开工作推进情况

2013年我局完成了承担的3个国家级建设项目。在项目执行过程中,严格执行招投标制度,严格项目管理。通过政务公开栏等形式进行公开,做到程序公开、制度公开、招标公开、财务公开,自觉接受群众监督,确保项目工程的质量和进度。

四、主动公开信息及公开平台建设情况

我局能够坚持信息公开的原则,从资料采集到信息公开,做到专人负责,领导审阅、签批,确保信息数据准确详实。2013年,我局的政务信息公开工作没有接到任何的举报意见或建议,没有出现信息虚假、不完整现象。

五、政府信息公开申请的办理情况

2013年,县气象局无申请公开信息。

六、政府信息公开的收费及减免情况

2013年,县气象局无因政府信息公开的收费及减免情况。

七、因政府信息公开申请提起行政复议、行政诉讼的情况

2013年,县气象局没有因政府信息公开工作而被申请行政复议或被提起行政诉讼。

八、政府信息公开保密审查及监督检查情况

2013年县气象局严格保密制度加强监督检查,建立公文类信息公开审核制度,没有出现失密、泄密情况。

九、政府信息公开工作存在的主要问题及改进情况

2013年,沂源县气象局在政府信息公开工作方面加强了组织领导,狠抓制度建设,丰富公开内容,按要求进行公布。当前,最主要的问题就是如何确保信息采集的准确和信息的及时发布以及多种渠道进行公布。针对这些问题,在下一步工作中,我局将采取有效措施,认真加以解决。

为进一步切实做政府信息公开工作,气象局特制定以下几种方法:

1、进一步完善政府信息公开工作机制

完善组织领导机制、考核制度,创新工作方式和方法,有计划有步骤地推进信息公开工作。

2、进一步创新政府信息公开工作方式

围绕政府信息公开工作的新情况、新问题,深入总结研究新形势下的特点和规律,不断改革创新,提高工作质量和水平。

3、进一步优化和丰富政府信息公开渠道

完善网上统一服务平台,推进网上信息公开平台建设,打造 “一站式”气象公共服务信息传播平台。

十、需要说明的事项及附表

(一) 主动公开情况说明

2013年我镇主动公开政府信息数为9条。

(二) 附表

 

                                    沂源县气象局

                                       2014年3月3日

 

 

 

 

2013年度政府信息公开工作情况统计表

(县政府各部门、有关单位填写)

填报单位: 沂源县气象局

指标名称

计量单位

本年累计

一、主动公开信息数

9

其中: 1.机构领导、设置及人事类信息

 

       2.政策法规、规范性文件信息

 

       3.业务公开信息

9

       4.规划计划、统计信息

 

       5.财务预决算信息

 

       6.招标采购信息

 

二、信息公开申请数

 

其中: 1.信函及传真申请数

 

       2.网上填表及电子邮件申请数

 

       3.当面申请数

 

三、对申请的答复数

 

其中: 1.同意公开数

 

       2.同意部分公开数

 

       3.不予公开数

 

       4.其他情况

 

四、依申请提供信息收取费用数

 

五、政府信息公开被举报数

 

其中: 1.维持具体行政行为

 

       2.纠错

 

六、政府信息公开被行政复议数

 

其中: 1.维持具体行政行为

 

2.纠错

 

七、政府信息公开被诉讼数

 

其中: 1.维持具体行政行为

 

2.纠错

 

八、开通政府信息公开网站(或设立门户网站信息公开专栏)数

 

九、召开新闻发布会数

 

十、向图书馆、档案馆等查阅场所报送信息数

 

其中: 1.纸质文档

 

       2.电子文档

 

十一、政府信息公开指定工作人员数

2

其中: 1.全职人员

 

2.兼职人员

2

十二、组织学习培训次数

 

十三、参加学习培训人员数

 

 

政府信息公开情况分析说明

(描述本部门、本单位政府信息公开工作总体情况,并对申请情况等有关指标作同比分析,对其中发生明显变化的指标进行具体分析。重点对公众关注点以及答复处理等方面出现的问题作出说明,对其中难以判断是否属于免于公开的案例进行举例说明,并对本部门处理不满的申诉案件作相应的跟踪记录,可针对有关问题提出应对策略和建议。)

 

 

 

 

 

 

 

 

 

 

 

 

 

 

 

单位负责人:李春德  填表人: 吴婷 联系方式:2343593  填表日期: 2014.3.3

 

 

附件3:

政府信息公开工作机构情况表

 

单位:沂源县气象局                   填报时间:2014.3.3

 

姓名

职务

工作电话

移动电话

备注

工作机构名称

沂源县气象局

分管负责人

彭成浩

副局长

2343593

13864308067

 

联  系  人

吴婷

 

2343593

13561656656

 

 

注:人员如有变动请及时书面告知县政府信息中心。

 

 

 

 

 

2012年度信息公开工作气象局年度报告

时间:2014-03-13

沂源县气象局
2012年政府信息公开工作年度报告

   本报告是根据《中华人民共和国政府信息公开条例》 、《山东省政府信息公开办法》和《淄博市人民政府办公厅关于做好2012年政府信息公开工作年度报告编制工作的通知》(淄政办函[2013]2号)的要求编制。

本报本报告包括:政府信息公开工作概述、政府信息公开的组织领导和制度建设情况、主动公开政府信息情况以及公开平台建设情况、政府信息公开申请的办理情况、政府信息公开的收费及减免情况、因政府信息公开申请提起行政复议和行政诉讼的情况、政府信息公开保密审查及监督检查情况、政府信息公开工作存在的主要问题及改进情况。
一、概述
  2012年,沂源县气象局全面贯彻县委、县政府及市气象局的部署和要求,严格按照“严格依法、全面真实、及时便民”的信息公开要求,高标准、高质量、高效率地完成政府信息公开工作任务。调整补充了沂源县气象局局务(政府信息)公开工作领导小组成员,进一步明确了相关科室的工作责任,机关各科室指定专人承担信息公开工作,逐步建立起“党政领导齐抓共管、职工群众参与”的信息公开工作体制。进一步完善了局务(政府信息)公开制度,努力做到:组织领导到位,工作责任到位,制度措施到位,监督考核到位,责任追究到位,宣传教育到位。沂源县县在2012年主动公开信息数5条,业务公开信息数5条,政府信息公开指定工作人员数1人,兼职人员1人。

二、信息公开的组织领导和制度建设情况

2012年沂源县气象局切实加强对政府信息公开工作的领导,成立了以局长李春德为组长,各科室负责人为成员的信息公开工作领导小组。政府信息公开工作由局办公室负责,并明确2人负责编辑和上报政务信息,配备电脑等必要的办公设备。    积极参加县政府信息办组织的信息公开工作培训,制订了《沂源县气象局政府信息公开工作的综合制度规范》,在宣传栏中详细写出政府信息公开年度工作计划、工作目标和具体措施。建立了《沂源县气象局政府信息依申请公开制度》、《沂源县气象局政府信息公开保密审查制度》、《沂源县气象局政府信息公开工作评议考核制度》、《沂源县气象局政府信息公开责任追究制度》等相关工作制度。

三、主动公开信息及公开平台建设情况

认真按要求编制、公布《政府信息公开指南》、《政府信息公开目录》。及时更新《政府信息公开指南》、《政府信息公开目录》,对《中华人民共和国政府信息公开条例》实施前已生成的政府信息进行了及时的清理和公开,并在规定期限内及时主动公开政府信息,按照法定的公开范围主动公开政府信息、地方性法规、政府规章和规范性文件、行政事业性收费信息、财政预决算、重大建设项目的批准和实施、征收或征用土地的政府信息。在政府网站上设置政府信息公开专栏,全面公开政府信息。在公共场所摆放政府公报。

四、政府信息公开申请的办理情况

2012年县气象局无公开申请的办理情况。

五、政府信息公开的收费及减免情况

 2012年,县气象局没有因政府信息公开的收费及减免情况。

六、因政府信息公开申请提起行政复议、行政诉讼的情况

2012年,县气象局没有因政府信息公开工作而被申请行政复议或被提起行政诉讼。

七、政府信息公开保密审查及监督检查情况

2012年县气象局严格保密制度加强监督检查,建立公文类信息公开审核制度,没有出现失密、泄密情况。

八、政府信息公开工作存在的主要问题及改进情况

2012年,沂源县气象局在政府信息公开工作方面加强了组织领导,狠抓制度建设,丰富公开内容,优化了信息公开专栏栏目编排和内容设置,信息公开的时效取得了一定的成效。但尚存在一些不足和差距。主要表现在:信息公开不及时和公众参与方面的部分细节和问题仍须细细完善和改进。

2013年,我局将按照县委、县政府有关信息公开目录实施指引的要求,切实加强信息公开管理系统建设工作,不断提高政府信息公开工作效率和质量。

为进一步切实做政府信息公开工作,气象局特制定以下几种方法:

一、 进一步完善政府信息公开工作机制

完善组织领导机制、考核制度,创新工作方式和方法,有计划有步骤地推进信息公开工作。

二、 进一步创新政府信息公开工作方式

围绕政府信息公开工作的新情况、新问题,深入总结研究新形势下的特点和规律,不断改革创新,提高工作质量和水平。

三、进一步优化和丰富政府信息公开渠道

完善网上统一服务平台,推进网上信息公开平台建设,打造 “一站式”气象公共服务信息传播平台。

四、 进一步做好政府部分信息保密工作

气象局主要负责人与县政府信息中心签订政府部分信息保密合同书。

 

 

                                    沂源县气象局

                                       2013年3月5日

 

 

        2012年度政府信息公开工作情况统计表

           (县政府各部门、有关单位填写)

填报单位:沂源县气象局

                 指标名称

计量单位

本年累计

 

一、主动公开信息数

5

 

其中:1.机构领导、设置及人事类信息

 

 

            2.政策法规、规范性文件信息

 

 

            3.业务公开信息

5

 

            4.规划计划、统计信息

 

 

            5.财务预决算信息

 

 

            6.招标采购信息

 

 

二、信息公开申请数  

 

 

其中:1.信函及传真申请数

 

 

          2.网上填表及电子邮件申请数

 

 

          3.当面申请数

 

 

三、对申请的答复数

 

 

其中:1.同意公开数

 

 

      2.同意部分公开数

 

 

          3.不予公开数

 

 

          4.其他情况 

 

 

四、依申请提供信息收取费用数

 

 

五、政府信息公开被举报数

 

 

其中:1.维持具体行政行为

 

 

          2.纠错  

 

 

六、政府信息公开被诉讼数

 

 

其中:1.维持具体行政行为

 

 

          2.纠错

 

 

七、政府信息公开被诉讼数

 

 

其中:1.维持具体行政行为

 

 

          2.纠错

 

 

八、开通政府信息公开网站(或设立门户网站信息公开专栏)数

 

 

九、召开新闻发布会

 

 

 

 

 

十、向图书馆、档案馆等查阅场所报送信息数

 

 

其中:1.纸质文档

 

 

      2.电子文档

 

 

十一、政府信息公开指定工作人员数

1

 

其中:1.全职员工

 

 

      2.兼职员工

1

 

十二、组织学习培训次数

 

 

十三、参加学习培训人员数

 

 

 

 

 

政府信息公开情况分析说明

 

 

 

政府信息公开情况分析说明

 

 

 

 

 

 

(描述本部门、本单位政府信息公开工作总体情况,并对申请情况等有指标作同比分

 

析,对其中发生明显变化的指标进行具体分析。重点对公众关注思安以及答复处理等

 

方面出现的问题作出说明,对其中难以判断是否属于免于公开的案例进行举例说明,

 

并对本部门处理不满的申诉案件作相应的跟踪记录,可针对有关问题提出应对策略和

 

建议。)

 

 

 

 

 

 

 

 

 

 

 

 

 

 

 

 

 

 

 

 

 

 

沂源县气象局2011年政府信息公开工作年度报告

时间:2013-04-05

沂源县气象局2011年政府信息公开工作年度报告

   本报告是根据《中华人民共和国政府信息公开办法》 、《山东省政府信息公开办法》要求编制。本报本报告包括概述,信息公开的组织领导和制度建设情况,主动公开政府信息情况,政府信息公开申请的办理情况,政府信息公开的收费及减免情况,因政府信息公开申请提起行政复议、行政诉讼的情况,政府信息公开保密审查及监督检查情况、政府信息公开工作存在的主要问题及改进情况。
一、概述
  2011年,沂源县气象局全面贯彻县委、县政府及市气象局的部署和要求,严格按照“严格依法、全面真实、及时便民”的信息公开要求,高标准、高质量、高效率地完成政府信息公开工作任务。调整补充了沂源县气象局局务(政府信息)公开工作领导小组成员,进一步明确了相关科室的工作责任,机关各科室指定专人承担信息公开工作,逐步建立起“党政领导齐抓共管、职工群众参与”的信息公开工作体制。进一步完善了局务(政府信息)公开制度,努力做到:组织领导到位,工作责任到位,制度措施到位,监督考核到位,责任追究到位,宣传教育到位。

二、信息公开的组织领导和制度建设情况

2011年沂源县气象局切实加强对政府信息公开工作的领导,成立了以局长李春德为组长,各科室负责人为成员的信息公开工作领导小组。政府信息公开工作由局办公室负责,并明确2人负责编辑和上报政务信息,配备电脑等必要的办公设备。    积极参加县政府信息办组织的信息公开工作培训,制订了《沂源县气象局政府信息公开工作的综合制度规范》,在宣传栏中详细写出政府信息公开年度工作计划、工作目标和具体措施。建立了《沂源县气象局政府信息依申请公开制度》、《沂源县气象局政府信息公开保密审查制度》、《沂源县气象局政府信息公开工作评议考核制度》、《沂源县气象局政府信息公开责任追究制度》等相关工作制度。

三、主动公开信息及公开平台建设情况

认真按要求编制、公布《政府信息公开指南》、《政府信息公开目录》。及时更新《政府信息公开指南》、《政府信息公开目录》,对《条例》实施前已生成的政府信息进行了及时的清理和公开,并在规定期限内及时主动公开政府信息,按照法定的公开范围主动公开政府信息、地方性法规、政府规章和规范性文件、行政事业性收费信息、财政预决算、重大建设项目的批准和实施、征收或征用土地的政府信息。在政府网站上设置政府信息公开专栏,全面公开政府信息。在公共场所摆放政府公报。

四、政府信息公开申请的办理情况

2011年县气象局无公开申请的办理情况。

五、政府信息公开的收费及减免情况

 2011年,我局没有因政府信息公开的收费及减免情况。

六、因政府信息公开申请提起行政复议、行政诉讼的情况

2011年,我局没有因政府信息公开工作而被申请行政复议或被提起行政诉讼。

七、政府信息公开保密审查及监督检查情况

2011年县气象局严格保密制度加强监督检查,建立公文类信息公开审核制度,没有出现失密、泄密情况。

八、政府信息公开工作存在的主要问题及改进情况

2011年,沂源县气象局在政府信息公开工作方面加强了组织领导,狠抓制度建设,丰富公开内容,优化了信息公开专栏栏目编排和内容设置,信息公开的时效取得了一定的成效。但尚存在一些不足和差距。主要表现在:信息公开不及时和公众参与方面的部分细节和问题仍须细细完善和改进。

  2012年,我局将按照县委、县政府有关信息公开目录实施指引的要求,切实加强信息公开管理系统建设工作,不断提高政府信息公开工作效率和质量。一是进一步完善政府信息公开工作机制。完善组织领导机制、考核制度,创新工作方式和方法,有计划有步骤地推进信息公开工作。二是进一步创新政府信息公开工作方式。围绕政府信息公开工作的新情况、新问题,深入总结研究新形势下的特点和规律,不断改革创新,提高工作质量和水平。三是进一步优化和丰富政府信息公开渠道。完善网上统一服务平台,推进网上信息公开平台建设,打造 “一站式”气象公共服务信息传播平台。

 

 


                                         沂源县气象局

                                       2012年2月20日